Ai SolventVap 5.3G/20L Rotary Evaporator w/ Chiller & Pump 220V
$23,293.29
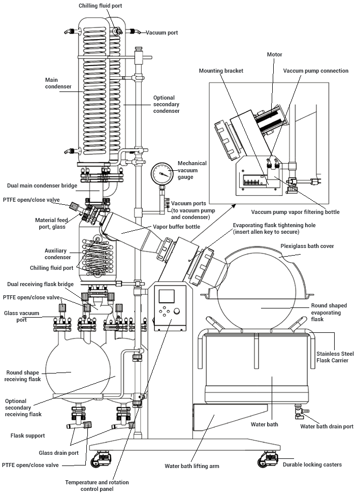
The Ai SolventVap series 20L rotary evaporators is now ETL tested to UL/CSA standards. This certification is required by many municipalities, and it also provides a higher standard of equipment safety and lifespan . Also come standard is the new plexiglass bath cover . Specially designed for Ai 20L SolventVap rotary evaporators, this beneficial cover securely rests on top of the water bath and ensures the best possible temperature uniformity.
Description
The Ai SolventVap series 20L rotary evaporators is now ETL tested to UL/CSA standards. This certification is required by many municipalities, and it also provides a higher standard of equipment safety and lifespan. Also come standard is the new plexiglass bath cover. Specially designed for Ai 20L SolventVap rotary evaporators, this beneficial cover securely rests on top of the water bath and ensures the best possible temperature uniformity.
A rotary evaporator is a device used in chemical laboratories for the efficient and gentle removal of solvents from samples by evaporation. The process of rotary evaporation is most often used to separate solvents with low boiling points, such a n-hexane or ethyl acetate, from compounds which are solid at room temperature and pressure. However, careful application also allows for the removal of a solvent from a sample containing a liquid compound, if there is minimal co-evaporation (azeotropic behavior) and a sufficient difference in boiling points at the chosen temperature and reduced pressure.

Example:The following table is a list of a variety of substances ordered by increasing vapor pressure (in absolute units).

The newly re-designed Ai SolventVap 5.3-gallon/20L/0.7 cu ft (evaporating flask capacity) series rotary evaporators come with all PTFE valves for solvent-resistant operations. We also lowered the height of assembled unit, for easy installation and ease of use and storage. Also come with them are vertical glassware and digital temperature/rotation control. Its optimized bath volume allows for rapid heat-up times. The condenser unit has specially designed glass tubes that utilize surface area extremely efficiently. Thats why our SolventVap evaporators consistently deliver reliable and reproducible process results that are usually reserved for more costly systems. Another important aspect of the SolventVap is the safety features, which includes dry-run protection, water bath over-temperature shut-off protection, and fuse protection.
Rotary evaporator features a specially designed motor and worm gear, which provides constant rotation at speeds from 10 to 130 rpm. As the flask containing the solvent is rotated, it continually transfers a thin layer of liquid over the entire inner surface. This gives a very large surface area for evaporation, which is caused by the gentle heating from the water bath. The rotating system is fitted with a special seal that allows the apparatus to be placed under vacuum, effectively reducing the boiling point of the solvents and removing the vapor phase, making the process much more efficient. Each unit is also equipped with an easy-to-use vacuum release and a continuous feed system, which allows solvent to be constantly drawn into the rotating flask without needing to stop the operation.
Digital water bath operates from ambient temperature to 99C (210F) with PID temperature control stepping at 0.1C increments. Heating coils are located directly inside the pan for the most efficient heating possible. A built-in overheat protector will shut down power, should the controller fail.
Standard Glassware Set includes 5.28 gallon (20 liters) round-bottomed evaporating flask, 2.64 gallon (10 liters) round-bottomed receiving flask, and vertical condenser. Rotary evaporators with vertical glass condenser are great for distillation of solvents with higher boiling points.
Features
- Free dual condenser and dual receiving flask, a $3,000 value
- Free stainless steel 20L evaporating flask carrier with silicone cushions (a $299 value), custom made for Ai 20L SolventVap series rotary evaporators. This carrier can be placed on top of our 20L SolventVap’s water bath for easy loading and unloading. It can also be used as a flask stand.
- New condenser insulation protects your glassware and increases cooling efficiency (included with rotovap purchase).
- New swivel casters can be adjusted for rotovap to stand securely on uneven floor.
- Water bath cover enhances safety by protecting evaporating flask and the material inside; it gives you uniform temperature inside evaporation flask as well as energy saving by reducing heat loss. It also creates a better lab environment by preventing heat and humidity from escaping.
- Solvent-resistant PTFE and Viton gaskets, ensuring long time operation.
- Specialized motor with extremely compact, intermeshed worm and worm gear provides precise driving for very quiet, vibration-free operation.
- Downward-condensing vacuum connection design ensures safe vacuum operation.
- Motorized water bath lifting for precise control.
- Easy, straight-forward visual operation with digital speed and temperature display.
- PID temperature controller ensures accurate temperature control is maintained.
- One year warranty on rotary evaporator except for glassware and all sealing gaskets.
Your safety is important to us! Please use caution when operating. Users of glass reaction equipment must take all necessary precautions to avoid contact with rotating parts, particularly entanglement of loose clothing, hair, necklaces, or other jewelry. Under these circumstances, the winding action of the rotating parts can draw the user(s) into the apparatus, resulting in breakage of glassware, burns, and/or chemical exposure. Extra caution must also be taken when operating with air-reactive materials, especially under vacuum. A leak can draw air into the apparatus and cause a violent reaction to occur.














Rotary Evaporator Frequently Asked Questions
- Q: What type of plug is needed for my rotary evaporator?
A: The type of plug will depend on the model of rotary evaporator and whether the unit is a 110V or 220V model. Please consult the table below for further details:
Rotary Evaporator Model | Voltage (V) | Plug Type |
2L | 110/220 | Bath: 6-15P (220V) Motor Housing: 5-15P (110V) |
5L | 110 | L5-30P |
220 | 6-20P | |
10L | 110 | not available |
220 | L6-30P | |
20L | 110 | not available |
50L | 110 | not available |
- Q: What is the temperature range of the rotary evaporator
A: The temperature range of the rotary evaporator is 20-99C. - Q: What is the maximum pressure that the glass condenser’s coil is rated to? What is the maximum pressure that the condenser itself is rated to?
A: The glass condenser’s coil is rated to 14 psi and the condenser itself is only rated for atmospheric pressure and a vacuum of 3 torr.
- Q: What is the dual receiving flask kit used for on the 20 and 50L rotary evaporators?
A: The dual receiving flask kit is used to remove reclaimed solvent from the evaporator without interrupting its operation. - Q: What heating medium can be used in the water bath?
A: Only distilled water can be used as a heating medium in the water bath of an Across International rotary evaporator. - Q: Can the vacuum level be set on the rotary evaporator?
A: The vacuum level can be set only when a vacuum controller is purchased with the rotary evaporator. Please speak to sales or check the rotary evaporator’s customization section on the website for recommendations.
- Q: What accessories come with the purchase of a rotary evaporator?
A: The accessories that come with each model will be different depending on the unit purchased. An accessories list can be found on the unit’s website listing and can be found in the standard package tab. - Q: What is the evaporation speed of my rotary evaporator?
A: The evaporation speed of the rotary evaporator will depend on what is being evaporated, and the parameters chosen. Please refer to the table for the estimated evaporation rate for ethanol and water.
Rotary Evaporator Model | Solvent Evaporated | Evaporation Speed |
2L | Ethanol | 20mL/min |
Water | ||
5L | Ethanol | 3.79 L/Hr |
Water | 1.89 L/Hr | |
10L | Ethanol | 5.68 L/Hr |
Water | 2.84 L/Hr | |
20L | Ethanol | 7.5 L/Hr |
Water | 3.78 L/Hr | |
50L | Ethanol | 7.5 L/Hr |
Water | 15 L/Hr |
- Do the rotary evaporator’s come UL listed, are there any exceptions.
A: All Across International rotary evaporators are UL listed at no additional cost but must be specified as UL on the order. - Does Across International offer a CE option for their line of rotary evaporators? Are there any additional costs associated with this option?
A: Across International offers a TUV listening to CE standards for all rotary evaporators aside from the 2L, and the pricing schedule is shown below
2L | 5L | 10L | 20L | 50L | |
CE Certificaiton Price | N/A | $1,000 | $2,000 | $3,000 | $3,000 |
Specifications
| Electrical requirements | 220V 50/60Hz single phase, 20A, 4300 watt (rotation motor: 300 watts) |
| Glass material | High borosilicate glass 3.3 |
| Evaporating flask | Capacity: 5.28 gallon (20 liters or 0.7 cu ft) Maximum load: Not to exceed 60% of the flasks capacity Sealing flange: 4.9" diameter Rotation speed: 10 to 130 rpm Evaporating speed: 1 gallon/hour (water), 2 gallon/hour (alcohol) |
| Receiving flask | 2.64 gallon (10 liters or 0.35 cu ft) |
| Condenser | Glassware: Main + auxiliary triple-circulating cold traps, vertical Chilling fluid conneciton: 3/8" hose barb x 4 (2 on main + 2 on auxiliary) Condensing surface Main condenser: 9,480 cm2 or 10.2 sq ft Auxiliary condenser: 3,580 cm2 or 3.9 sq ft |
| Working environment | 5 to 95°F |
| Water bath | Temperature range: ambient to 99°C (210°F) Temperature controller: digital Dimensions: 17.5" diameter x 9.8" depth x 12" height Material: stainless steel Media: distilled water only Max. water level: not to exceed 1" from the top rim of the bath Number of heaters: two Drain port: one Exterior liner: rubber Lifting: motorized Maximum lifting distance: 7.5 inches |
| Vacuum | Level: < 3 torrs Sealing: PTFE + Viton gaskets Connector: 3/8" hose barb x 1 |
| Swivel casters | Four, built-in with locks |
| Safety | Dry-run, over-temp shut-off, built-in circuit breakers |
| Shipping weight | 238 Lb (evaporator), 130 Lb (glassware) |
| Unit/shipping dimensions | 49 x 23.5 x 82.5" / 41 x 24 x 48" (evaporator), 34 x 29 x 33" (glassware) (WxDxH) |
| Certification | ETL tested to UL and CSA standards |
SE53-S1 Standard Package
Welch 2052 Package
C30-30-20L Package
|

































